Czytanie rysunku technicznego konstrukcji stalowych to umiejętność, która wymaga znajomości różnych symboli, oznaczeń oraz zasad, które są kluczowe dla prawidłowego zrozumienia tych dokumentów. Rysunki techniczne przedstawiają nie tylko ogólny zarys konstrukcji, ale także szczegóły dotyczące spoin, połączeń oraz materiałów użytych w projekcie. Bez tej wiedzy, interpretacja rysunku może prowadzić do błędów, które mogą mieć poważne konsekwencje w praktyce budowlanej.
W tym artykule przedstawimy, jak skutecznie czytać rysunki techniczne konstrukcji stalowych oraz jak unikać najczęstszych błędów. Skupimy się na podstawowych symbolach, sposobach interpretacji wymiarów oraz rodzajach połączeń, aby ułatwić Ci pracę z dokumentacją techniczną. Kluczowe informacje:- Rysunki techniczne zawierają różne symbole i oznaczenia, które należy znać, aby poprawnie je odczytać.
- Ważne jest zrozumienie wymiarów i skal, aby uniknąć błędów w interpretacji rysunku.
- Typy połączeń, takie jak spoiny, mają swoje specyficzne symbole, które są kluczowe dla ich prawidłowego zrozumienia.
- Umiejętność identyfikacji materiałów na rysunkach technicznych jest niezbędna do oceny ich właściwości i zastosowania.
- Znajomość kontekstu, w którym rysunek został stworzony, pomaga w lepszym zrozumieniu jego treści i znaczenia.
Jak zrozumieć podstawowe symbole w rysunkach technicznych konstrukcji stalowych
Czytanie rysunków technicznych konstrukcji stalowych wymaga znajomości różnych symboli, które są kluczowe dla ich prawidłowej interpretacji. Rysunki te przedstawiają nie tylko ogólny zarys konstrukcji, ale także szczegóły dotyczące spoin, połączeń oraz materiałów. Zrozumienie tych symboli pozwala na dokładne odczytanie informacji zawartych w dokumentacji oraz uniknięcie potencjalnych błędów w realizacji projektu.W rysunkach technicznych możemy spotkać różnorodne symbole, które reprezentują różne elementy konstrukcyjne. Linie, kształty i oznaczenia mają swoje konkretne znaczenie i zastosowanie. Na przykład, różne rodzaje linii mogą oznaczać granice, osie czy elementy ukryte. Zrozumienie tych symboli jest kluczowe, aby móc skutecznie pracować z rysunkami technicznymi.
Najczęściej używane symbole i ich znaczenie w rysunkach
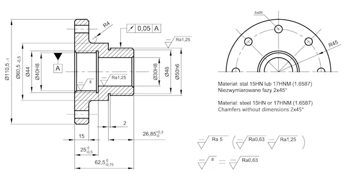
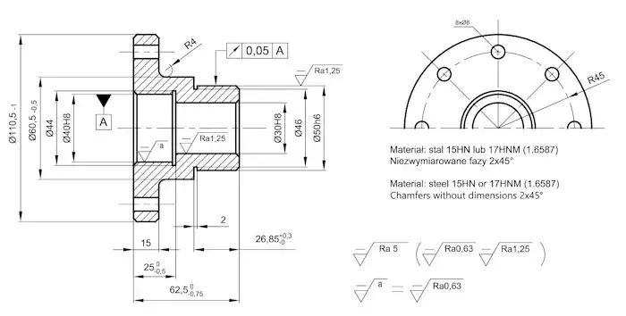
W rysunkach technicznych konstrukcji stalowych występuje wiele symboli, które mają swoje określone znaczenie. Znajomość tych symboli jest niezbędna, aby poprawnie interpretować rysunki. Na przykład, symbol prostokąta może oznaczać element stalowy, podczas gdy okrąg może wskazywać na otwór. Właściwe zrozumienie tych oznaczeń pozwala na lepszą orientację w dokumentacji i ułatwia współpracę w zespole projektowym.
| Symbol | Znaczenie |
|---|---|
| — | Linia ciągła – granica elementu |
| --- | Linia przerywana – element ukryty |
| □ | Prostokąt – element stalowy |
| ○ | Okrąg – otwór |
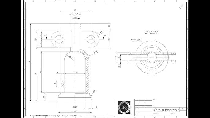
Jak interpretować wymiary i skale na rysunkach technicznych
Umiejętność czytania wymiarów i skal na rysunkach technicznych jest kluczowa dla każdego, kto pracuje z konstrukcjami stalowymi. Dokładne pomiary są niezbędne do prawidłowego wykonania projektu, ponieważ błędy w wymiarach mogą prowadzić do poważnych problemów w realizacji budowy. Rysunki techniczne często wykorzystują różne systemy miar, dlatego ważne jest, aby umieć je odpowiednio interpretować.
W kontekście rysunków technicznych, skala odnosi się do proporcji, w jakiej obiekt jest przedstawiony na rysunku w porównaniu do jego rzeczywistego rozmiaru. Umiejętność konwersji między różnymi skalami jest niezbędna, aby zrozumieć, jak elementy rysunku przekładają się na rzeczywiste wymiary. Na przykład, jeśli rysunek jest w skali 1:50, oznacza to, że 1 jednostka na rysunku odpowiada 50 jednostkom w rzeczywistości. Zrozumienie tych zasad pozwala na dokładniejsze planowanie i wykonanie projektów budowlanych.
Ważność dokładnych pomiarów
Dokładne pomiary na rysunkach technicznych są kluczowe dla sukcesu każdego projektu budowlanego. Nieprawidłowe wymiary mogą prowadzić do niezgodności w realizacji, co w konsekwencji może skutkować dodatkowymi kosztami i opóźnieniami. Dlatego warto zainwestować czas w naukę, jak prawidłowo odczytywać wymiary i skale, aby uniknąć późniejszych problemów.
- Dokładność pomiarów wpływa na jakość wykonania konstrukcji.
- Znajomość różnych systemów miar jest niezbędna w pracy z rysunkami technicznymi.
- Umiejętność konwersji skal pozwala na lepsze zrozumienie rysunków.
Czytaj więcej: Jak wybrać najlepszą zagęszczarkę do fundamentów i uniknąć błędów przy wyborze
Odczytywanie symboli spoin w rysunkach konstrukcji stalowych
Zrozumienie symboli spoin jest kluczowe dla każdego, kto pracuje z rysunkami technicznymi konstrukcji stalowych. Symbole spoin przedstawiają różne typy połączeń, które są niezbędne do zapewnienia integralności konstrukcji. Każdy symbol ma swoje specyficzne znaczenie, które określa sposób wykonania spoiny, jej rodzaj oraz wymagania dotyczące jakości. Bez znajomości tych symboli, prawidłowe odczytanie rysunku i wykonanie spoiny może być trudne, a w konsekwencji prowadzić do błędów w budowie.
Na rysunkach technicznych można spotkać różnorodne symbole spoin, w tym symbole dla spoin jednostronnych, obustronnych czy też spoin czołowych. Właściwe zrozumienie tych oznaczeń pozwala na dokładne wykonanie połączeń, co jest kluczowe dla bezpieczeństwa i trwałości konstrukcji. Przykłady symboli spoin to linie przerywane, które mogą wskazywać na spoiny czołowe, oraz różne kształty, które określają sposób ich wykonania.
Jak identyfikować rodzaje materiałów w rysunkach technicznych
Identyfikacja rodzajów materiałów na rysunkach technicznych jest równie istotna, co zrozumienie symboli spoin. Każdy materiał ma swoje specyficzne oznaczenia, które pomagają w określeniu jego właściwości i zastosowania. Właściwe rozpoznanie materiałów jest kluczowe dla zapewnienia odpowiednich parametrów technicznych i jakości wykonania konstrukcji. Na przykład, stal konstrukcyjna może być oznaczona symbolem „S235”, co wskazuje na jej klasę i właściwości mechaniczne.
Praktyczne wskazówki dla uniknięcia błędów w odczycie rysunków
Unikanie błędów podczas odczytywania rysunków technicznych jest kluczowe dla sukcesu każdego projektu budowlanego. Dokładne i staranne czytanie rysunków pozwala na zrozumienie zamierzeń projektanta oraz zapewnia, że wszystkie elementy konstrukcji będą wykonane zgodnie z planem. Warto zwrócić uwagę na szczegóły, takie jak symbole, wymiary oraz materiały, aby uniknąć nieporozumień i błędów w realizacji.
Jednym z najważniejszych sposobów na uniknięcie błędów jest sprawdzanie rysunków w kontekście całego projektu. Porównanie różnych rysunków oraz ich wzajemnych odniesień może pomóc w zrozumieniu, jak poszczególne elementy współdziałają ze sobą. Dobrą praktyką jest również korzystanie z list kontrolnych, które pomogą upewnić się, że wszystkie istotne aspekty zostały uwzględnione i sprawdzone przed rozpoczęciem budowy.
Jak unikać typowych pułapek podczas czytania rysunków
Podczas odczytywania rysunków technicznych, istnieje wiele pułapek, które mogą prowadzić do błędów. Jednym z najczęstszych problemów jest nieuwaga przy interpretacji wymiarów lub symboli. Często zdarza się, że osoby czytające rysunki pomijają istotne szczegóły, co prowadzi do niezgodności w wykonaniu. Dlatego ważne jest, aby zawsze dokładnie analizować każdy element rysunku i nie polegać na intuicji.

Znaczenie kontekstu w interpretacji rysunków technicznych
Kontekst odgrywa kluczową rolę w czytaniu rysunków technicznych konstrukcji stalowych. Zrozumienie otaczających informacji, takich jak opis projektu, specyfikacje materiałowe czy wymagania dotyczące wykonania, może znacznie ułatwić interpretację rysunków. Bez znajomości kontekstu, nawet najdokładniejsze rysunki mogą być mylące, co prowadzi do błędów w realizacji.
Ważne jest, aby zawsze analizować rysunki w kontekście całego projektu. Na przykład, zmiany w jednym elemencie konstrukcji mogą wpływać na inne części projektu, dlatego warto zwracać uwagę na powiązania między rysunkami. Świadomość kontekstu pozwala na lepsze zrozumienie zamierzeń projektanta i ułatwia współpracę w zespole budowlanym.
Jak wykorzystać nowoczesne technologie w odczycie rysunków technicznych
W dzisiejszych czasach, nowoczesne technologie mogą znacznie ułatwić proces odczytywania rysunków technicznych konstrukcji stalowych. Oprogramowanie CAD (Computer-Aided Design) oraz aplikacje mobilne pozwalają na interaktywne przeglądanie rysunków, co umożliwia łatwe wprowadzanie poprawek i natychmiastowe sprawdzanie różnych wariantów projektów. Dzięki tym narzędziom, inżynierowie i architekci mogą szybko dostosowywać projekty w odpowiedzi na zmieniające się wymagania budowlane oraz lepiej współpracować z innymi członkami zespołu.
Co więcej, technologie rzeczywistości rozszerzonej (AR) i rzeczywistości wirtualnej (VR) zaczynają być stosowane w branży budowlanej, co pozwala na wizualizację projektów w rzeczywistym otoczeniu. Użycie AR do nałożenia cyfrowych rysunków na rzeczywiste miejsce budowy umożliwia lepsze zrozumienie kontekstu i identyfikację potencjalnych problemów przed rozpoczęciem prac. Takie podejście nie tylko zwiększa efektywność, ale także minimalizuje ryzyko błędów, co jest kluczowe dla sukcesu każdego projektu budowlanego.






